Принципиальные схемы радиостанций. Рация схема электрическая принципиальная. Схема радиостанции 70ртп2чм. Схема радиостанции связь м333. Радиостанции си-би схема принципиальная электрическая
Рация схема электрическая принципиальная. Схема радиостанции 70ртп2чм. Схема радиостанции связь м333. Радиостанции си-би схема принципиальная электрическая
Принципиальные схемы радиостанций. Схема автомобильной радиостанции на 27мгц. Электрическая схема передатчика радиостанции кв диапазона. 27 МГЦ радиостанция передатчик. Принципиальная схема передатчика
Схема автомобильной радиостанции на 27мгц. Электрическая схема передатчика радиостанции кв диапазона. 27 МГЦ радиостанция передатчик. Принципиальная схема передатчика
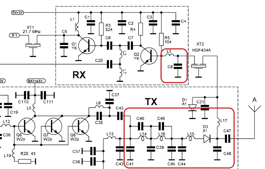
Принципиальные схемы радиостанций. Схема ам радиостанции 27мгц. Схема ам передатчика на 27мгц для радиостанции. Схема ам рации на 27мгц. Радиостанция 27 МГЦ ам fm схема
Схема ам радиостанции 27мгц. Схема ам передатчика на 27мгц для радиостанции. Схема ам рации на 27мгц. Радиостанция 27 МГЦ ам fm схема
Принципиальные схемы радиостанций. Простые рации на 27 МГЦ схемы. Усилитель 27 МГЦ схема. Схема простой радиостанции на 27мгц. Радиостанция на 28 МГЦ
Простые рации на 27 МГЦ схемы. Усилитель 27 МГЦ схема. Схема простой радиостанции на 27мгц. Радиостанция на 28 МГЦ
Принципиальные схемы радиостанций
Принципиальные схемы радиостанций. Приемник на 27мгц на микросхеме. УКВ приемник на к174ха26. Схемы приёмников св диапазона. УКВ приемник на микросхеме к174ха26
Приемник на 27мгц на микросхеме. УКВ приемник на к174ха26. Схемы приёмников св диапазона. УКВ приемник на микросхеме к174ха26
Принципиальные схемы радиостанций
Принципиальные схемы радиостанций. Радиостанция а-7-б схема. Радиостанция Нива-м схема принципиальная. Ламповые автомобильные радиостанции схема. Радиостанция рейд-1 схема
Радиостанция а-7-б схема. Радиостанция Нива-м схема принципиальная. Ламповые автомобильные радиостанции схема. Радиостанция рейд-1 схема
Принципиальные схемы радиостанций. Схема радиостанции РН 12б. Радиостанция гранит 50 РТМ -а2-ЧМ схема. Принципиальная схема радиостанции гранит 2р-23. Лён- радиостанция микрофонный усилитель схема
Схема радиостанции РН 12б. Радиостанция гранит 50 РТМ -а2-ЧМ схема. Принципиальная схема радиостанции гранит 2р-23. Лён- радиостанция микрофонный усилитель схема
Принципиальные схемы радиостанций. Схема радиостанции 42ртм-а2-ЧМ. Радиостанция Долина 27 схема электрическая принципиальная. Радиостанция р-838к схема. Радиостанция Виола-н схема
Схема радиостанции 42ртм-а2-ЧМ. Радиостанция Долина 27 схема электрическая принципиальная. Радиостанция р-838к схема. Радиостанция Виола-н схема
Принципиальные схемы радиостанций. Радиостанция РСИУ-3м схема. Принципиальная схема радиостанции полоса 2. Радиостанция РБМ-1 схема. Радиостанция Север схема принципиальная
Радиостанция РСИУ-3м схема. Принципиальная схема радиостанции полоса 2. Радиостанция РБМ-1 схема. Радиостанция Север схема принципиальная
Принципиальные схемы радиостанций. Портативная радиостанция с ЧМ на диапазон 27 МГЦ. Схема ЧМ радиостанции на 27мгц. Схема приемника на 27мгц с двойным преобразованием частоты. Радиостанция 27 МГЦ ам fm схема
Портативная радиостанция с ЧМ на диапазон 27 МГЦ. Схема ЧМ радиостанции на 27мгц. Схема приемника на 27мгц с двойным преобразованием частоты. Радиостанция 27 МГЦ ам fm схема
Принципиальные схемы радиостанций
Принципиальные схемы радиостанций. Принципиальная электрическая схема радиостанции vector VT-27. Радиостанция сейнер схема принципиальная. Схема радиостанции связь м333. Радиостанция Таис Вт 31 схема
Принципиальная электрическая схема радиостанции vector VT-27. Радиостанция сейнер схема принципиальная. Схема радиостанции связь м333. Радиостанция Таис Вт 31 схема
Принципиальные схемы радиостанций. Схема радиостанции 70ртп2чм. Радиостанция сейнер схема принципиальная. Радиостанция Днепр 70 РТП-2-ЧМ схема принципиальная. Радиостанция р-862 схема принципиальная
Схема радиостанции 70ртп2чм. Радиостанция сейнер схема принципиальная. Радиостанция Днепр 70 РТП-2-ЧМ схема принципиальная. Радиостанция р-862 схема принципиальная
Принципиальные схемы радиостанций. Радиостанция РБМ-1 схема. Радиостанция РБМ-2 схема. РБМ радиостанция схема. Радиостанция РБМ-5 схема
Радиостанция РБМ-1 схема. Радиостанция РБМ-2 схема. РБМ радиостанция схема. Радиостанция РБМ-5 схема
Принципиальные схемы радиостанций. Схемы раций на транзисторах. C5121 схема рация. Рация Оптим 270 схема платы. Рация схема электрическая принципиальная
Схемы раций на транзисторах. C5121 схема рация. Рация Оптим 270 схема платы. Рация схема электрическая принципиальная
Принципиальные схемы радиостанций. Схема портативной радиостанции на 27мгц. Радиоконструктор rf013. Портативная радиостанция 27 МГЦ. Усилитель 27 МГЦ для радиостанции схема. Приемник радиостанции 27 МГЦ схема
Схема портативной радиостанции на 27мгц. Радиоконструктор rf013. Портативная радиостанция 27 МГЦ. Усилитель 27 МГЦ для радиостанции схема. Приемник радиостанции 27 МГЦ схема
Принципиальные схемы радиостанций
Принципиальные схемы радиостанций
Принципиальные схемы радиостанций
Принципиальные схемы радиостанций. Радиостанция Беркут 601 схема. Схема радиостанция м333. Радиостанция Таис РМ 41 схема. Схема радиостанции карат 2н
Радиостанция Беркут 601 схема. Схема радиостанция м333. Радиостанция Таис РМ 41 схема. Схема радиостанции карат 2н
Принципиальные схемы радиостанций
Принципиальные схемы радиостанций. Р-107 радиостанция схемы. Р-107м радиостанция схема. Схема радиостанции р855. Р-107м радиостанция схема преобразователя
Р-107 радиостанция схемы. Р-107м радиостанция схема. Схема радиостанции р855. Р-107м радиостанция схема преобразователя
Принципиальные схемы радиостанций
Принципиальные схемы радиостанций. Схема усилителя мощности передатчика радиостанции р 104. Р-109м радиостанция схема. Схема радиостанции р 106м. Р105м рация схема
Схема усилителя мощности передатчика радиостанции р 104. Р-109м радиостанция схема. Схема радиостанции р 106м. Р105м рация схема
Принципиальные схемы радиостанций
Принципиальные схемы радиостанций. Радиостанция РБМ-1 схема. Принципиальная схема радиостанции полоса 2. Схема военной радиостанции р312. Р105м рация схема
Радиостанция РБМ-1 схема. Принципиальная схема радиостанции полоса 2. Схема военной радиостанции р312. Р105м рация схема
Принципиальные схемы радиостанций
Принципиальные схемы радиостанций. Р-107м радиостанция схема. Р-107 радиостанция схемы. Радиостанция р-107м схема принципиальная электрическая. Радиостанция р 607 Меркурий схема
Р-107м радиостанция схема. Р-107 радиостанция схемы. Радиостанция р-107м схема принципиальная электрическая. Радиостанция р 607 Меркурий схема
Принципиальные схемы радиостанций. Схема радиостанции сигнал-1 27мгц. Усилитель мощности радиостанции Ангара схема. Рация Веда-ЧМ схема. Схема радиостанции кт-5800
Схема радиостанции сигнал-1 27мгц. Усилитель мощности радиостанции Ангара схема. Рация Веда-ЧМ схема. Схема радиостанции кт-5800
Принципиальные схемы радиостанций. Блок питания радиостанции лен схема. Схема микротелефонной трубки радиостанции лен. Схема УНЧ радиостанции лён б. Схема радиостанции лен 160
Блок питания радиостанции лен схема. Схема микротелефонной трубки радиостанции лен. Схема УНЧ радиостанции лён б. Схема радиостанции лен 160
Принципиальные схемы радиостанций
Принципиальные схемы радиостанций
Принципиальные схемы радиостанций
Принципиальные схемы радиостанций. Принципиальная схема радиостанции Баклан. Баклан 20 радиостанция схема. Радиостанция Баклан-РН схема принципиальная. Усилитель у3м-01 схема
Принципиальная схема радиостанции Баклан. Баклан 20 радиостанция схема. Радиостанция Баклан-РН схема принципиальная. Усилитель у3м-01 схема
Принципиальные схемы радиостанций. Р105м рация схема. Схема радиостанции р 106м. Радиостанция р-860 схема. Радиостанция р-860-2 схема
Р105м рация схема. Схема радиостанции р 106м. Радиостанция р-860 схема. Радиостанция р-860-2 схема
Принципиальные схемы радиостанций. Схема радиостанции 42ртм-а2-ЧМ. Схема подключения радиостанции 42ртм. 1ртм-а2-ЧМ блок питания схема. 42ртм-а2-ЧМ блок 2
Схема радиостанции 42ртм-а2-ЧМ. Схема подключения радиостанции 42ртм. 1ртм-а2-ЧМ блок питания схема. 42ртм-а2-ЧМ блок 2
Принципиальные схемы радиостанций
Принципиальные схемы радиостанций
Принципиальные схемы радиостанций. Радиостанция РБМ-1 схема. Радиостанция сейнер схема принципиальная. Радиостанция РБМ-5 схема. Р105д рация схема
Радиостанция РБМ-1 схема. Радиостанция сейнер схема принципиальная. Радиостанция РБМ-5 схема. Р105д рация схема
Принципиальные схемы радиостанций
Принципиальные схемы радиостанций. Схема УНЧ радиостанции лён б. Принципиальные схемы радиостанции лен. Схема радиостанции Таис рм43. Блок питания радиостанции лен схема
Схема УНЧ радиостанции лён б. Принципиальные схемы радиостанции лен. Схема радиостанции Таис рм43. Блок питания радиостанции лен схема
Принципиальные схемы радиостанций. Структурная схема УКВ радиостанции малой мощности. Структурная схема передатчика радиостанции.. Радиостанция р-159м схема. Структурная схема радиостанции «гранит р-24»
Структурная схема УКВ радиостанции малой мощности. Структурная схема передатчика радиостанции.. Радиостанция р-159м схема. Структурная схема радиостанции «гранит р-24»
Принципиальные схемы радиостанций. Радиостанция р-105 принципиальная схема. Р105м рация схема. Р-108м радиостанция схема. Р-108 радиостанция схема
Радиостанция р-105 принципиальная схема. Р105м рация схема. Р-108м радиостанция схема. Р-108 радиостанция схема
Принципиальные схемы радиостанций. Схема радиостанции р 109д. Радиостанция р-104м схема. Радиостанция р-126 схема. Р126 рация схема
Схема радиостанции р 109д. Радиостанция р-104м схема. Радиостанция р-126 схема. Р126 рация схема
Принципиальные схемы радиостанций
Принципиальные схемы радиостанций
Принципиальные схемы радиостанций. Альпинист 407 радиоприемник схема. Приёмник альпинист 320 схема принципиальная электрическая. Схема приёмника альпинист 405
Альпинист 407 радиоприемник схема. Приёмник альпинист 320 схема принципиальная электрическая. Схема приёмника альпинист 405
Принципиальные схемы радиостанций
Принципиальные схемы радиостанций. Р-107м радиостанция схема. Радиостанция р-107м схема принципиальная электрическая. Схема электрическая принципиальная радиостанции р-168-5ут. Р-107 радиостанция схемы
Р-107м радиостанция схема. Радиостанция р-107м схема принципиальная электрическая. Схема электрическая принципиальная радиостанции р-168-5ут. Р-107 радиостанция схемы
Принципиальные схемы радиостанций
Принципиальные схемы радиостанций. Кв приемник на mc3361 схема. SW трансивер 27 МГЦ. Mc3361 приемник ам. Радиостанция Нива-м схема принципиальная
Кв приемник на mc3361 схема. SW трансивер 27 МГЦ. Mc3361 приемник ам. Радиостанция Нива-м схема принципиальная
Принципиальные схемы радиостанций. Радиостанция РСИУ-3м схема. Радиостанция р-104м схема. Радиостанция а-7-б схема. Радиостанция Север схема принципиальная
Радиостанция РСИУ-3м схема. Радиостанция р-104м схема. Радиостанция а-7-б схема. Радиостанция Север схема принципиальная
Принципиальные схемы радиостанций. Схема радиостанции 42ртм-а2-ЧМ. Схема радиостанции карат 2м. Радиостанция р-107м схема принципиальная электрическая. Радиостанция карат-м схема
Схема радиостанции 42ртм-а2-ЧМ. Схема радиостанции карат 2м. Радиостанция р-107м схема принципиальная электрическая. Радиостанция карат-м схема
Принципиальные схемы радиостанций
Принципиальные схемы радиостанций. Антенна радиостанция карат 2н. Трансивер карат 2н. Схема радиостанции карат 2м. Трансивер карат м схема
Антенна радиостанция карат 2н. Трансивер карат 2н. Схема радиостанции карат 2м. Трансивер карат м схема
Принципиальные схемы радиостанций. Схема радиостанции 42ртм-а2-ЧМ. Радиостанция р-159м схема. Схема радиостанции карат 2м. Радиостанция гранит 50 РТМ -а2-ЧМ схема
Схема радиостанции 42ртм-а2-ЧМ. Радиостанция р-159м схема. Схема радиостанции карат 2м. Радиостанция гранит 50 РТМ -а2-ЧМ схема
Принципиальные схемы радиостанций. Схема радиостанции карат 2м. Радиостанция недра схема. Радиостанция карат 2н схема монтажная. Схемы раций недра-п
Схема радиостанции карат 2м. Радиостанция недра схема. Радиостанция карат 2н схема монтажная. Схемы раций недра-п
Принципиальные схемы радиостанций. Схема РСБ-5 передатчик. Схема усилителя мощности передатчика радиостанции р 104. Передатчик окунь р-654 схема. Радиостанция РСБ-5 схема
Схема РСБ-5 передатчик. Схема усилителя мощности передатчика радиостанции р 104. Передатчик окунь р-654 схема. Радиостанция РСБ-5 схема
Принципиальные схемы радиостанций. Схема радиостанции MEGAJET MJ-100. MEGAJET MJ 2701. Схема рации MJ-600. Схема рации MJ-300
Схема радиостанции MEGAJET MJ-100. MEGAJET MJ 2701. Схема рации MJ-600. Схема рации MJ-300
Принципиальные схемы радиостанций. Схема радиостанции 42ртм-а2-ЧМ. Радиостанция "50ртм-а2-ЧМ" блок приемо-передатчика. Схема радиостанции гранит 1ртм-а2-ЧМ. Локомотивная радиостанция 42ртм-а2-ЧМ
Схема радиостанции 42ртм-а2-ЧМ. Радиостанция «50ртм-а2-ЧМ» блок приемо-передатчика. Схема радиостанции гранит 1ртм-а2-ЧМ. Локомотивная радиостанция 42ртм-а2-ЧМ
Принципиальные схемы радиостанций. Р130 радиостанция параметры. Схема радиостанции 42ртм-а2-ЧМ. Р-130 радиостанция схема электрическая принципиальная. Р-107м радиостанция схема преобразователя
Р130 радиостанция параметры. Схема радиостанции 42ртм-а2-ЧМ. Р-130 радиостанция схема электрическая принципиальная. Р-107м радиостанция схема преобразователя
Принципиальные схемы радиостанций
Принципиальные схемы радиостанций. Схема рации на двух транзисторах. Радиостанция Беркут 601 схема. Схема рации с печатной платой. Схемы китайских рации
Схема рации на двух транзисторах. Радиостанция Беркут 601 схема. Схема рации с печатной платой. Схемы китайских рации
Принципиальные схемы радиостанций
Принципиальные схемы радиостанций. Трансивер лавина м схема. Радиостанция Нива-м схема принципиальная. Схема радиостанции Северок. Схема радиостанции сейнер 19р22см
Трансивер лавина м схема. Радиостанция Нива-м схема принципиальная. Схема радиостанции Северок. Схема радиостанции сейнер 19р22см
Принципиальные схемы радиостанций. Кварцованный передатчик 144 МГЦ. УКВ ЧМ радиостанция на 144 МГЦ. Передатчик ЧМ на 144мгц. Электрическая схема передатчика радиостанции кв диапазона
Кварцованный передатчик 144 МГЦ. УКВ ЧМ радиостанция на 144 МГЦ. Передатчик ЧМ на 144мгц. Электрическая схема передатчика радиостанции кв диапазона
Принципиальные схемы радиостанций. Схема радиостанции Северок. Принципиальная схема радиостанции на транзисторах. Схема радиостанции Север на транзисторах. Рация 27 МГЦ С ПЧ 10,7
Схема радиостанции Северок. Принципиальная схема радиостанции на транзисторах. Схема радиостанции Север на транзисторах. Рация 27 МГЦ С ПЧ 10,7
Принципиальные схемы радиостанций. Радиостанция Виола-н схема. Блок питания радиостанции Виола. Функциональная схема УКВ радиостанции. Схема блока питания радиостанции Виола-а
Радиостанция Виола-н схема. Блок питания радиостанции Виола. Функциональная схема УКВ радиостанции. Схема блока питания радиостанции Виола-а
Принципиальные схемы радиостанций. Уоки токи 27мгц схема. Радиостанция 27 МГЦ схема. Приемник на 27мгц на микросхеме. Схема радиостанции сигнал-1 27мгц
Уоки токи 27мгц схема. Радиостанция 27 МГЦ схема. Приемник на 27мгц на микросхеме. Схема радиостанции сигнал-1 27мгц
Принципиальные схемы радиостанций
Принципиальные схемы радиостанций. Усилитель передатчика 27 МГЦ схема. Схема передатчика 27 МГЦ на транзисторах. Схема ам передатчика на 3 МГЦ на транзисторах. Схема ЧМ передатчика на 27 МГЦ
Усилитель передатчика 27 МГЦ схема. Схема передатчика 27 МГЦ на транзисторах. Схема ам передатчика на 3 МГЦ на транзисторах. Схема ЧМ передатчика на 27 МГЦ
Принципиальные схемы радиостанций. Блок питания для радиостанции р-109м. Радиостанция р 105д схема
Блок питания для радиостанции р-109м. Радиостанция р 105д схема
Принципиальные схемы радиостанций. Радиостанция р-107м схема принципиальная электрическая. Р-107 радиостанция схемы. Радиостанция РСО-5 схема. РСО-5м радиостанция схема
Радиостанция р-107м схема принципиальная электрическая. Р-107 радиостанция схемы. Радиостанция РСО-5 схема. РСО-5м радиостанция схема
Принципиальные схемы радиостанций. К174пс1 схема кв приемника. К174пс1 в смесителе трансивера. Смеситель для кв трансивера на fsa3157. Приемник прямого преобразования радиостанции 27 МГЦ схема
К174пс1 схема кв приемника. К174пс1 в смесителе трансивера. Смеситель для кв трансивера на fsa3157. Приемник прямого преобразования радиостанции 27 МГЦ схема
Принципиальные схемы радиостанций. Радиоприёмник турист ПМП-56 схема. Схема лампового приемника ВЭФ. Схема радиолы Латвия рн59. Схема приемника ВЭФ Аккорд
Радиоприёмник турист ПМП-56 схема. Схема лампового приемника ВЭФ. Схема радиолы Латвия рн59. Схема приемника ВЭФ Аккорд
Принципиальные схемы радиостанций. Схема радиостанции р-130м. Радиостанция р-838к схема. Р-130 радиостанция схема. Усилитель низкой частоты Трембита 002. Электрическая схема
Схема радиостанции р-130м. Радиостанция р-838к схема. Р-130 радиостанция схема. Усилитель низкой частоты Трембита 002. Электрическая схема
Принципиальные схемы радиостанций
Принципиальные схемы радиостанций. Р-107м ГПД схема. ГПД от р-107 схема. Р-107 радиостанция схемы. Р-107м радиостанция схема
Р-107м ГПД схема. ГПД от р-107 схема. Р-107 радиостанция схемы. Р-107м радиостанция схема
Принципиальные схемы радиостанций. Принципиальная схема радиостанции Баклан. Радиостанция «Баклан-РН». Схема электрическая функциональная.. Баклан-РН схема принципиальная. Радиостанция Баклан структурная схема
Принципиальная схема радиостанции Баклан. Радиостанция «Баклан-РН». Схема электрическая функциональная.. Баклан-РН схема принципиальная. Радиостанция Баклан структурная схема
Принципиальные схемы радиостанций. Функциональная схема УКВ радиостанции. Структурная схема передатчика радиостанции.. Радиостанция Баклан структурная схема. Структурная схема радиостанции «гранит р-24»
Функциональная схема УКВ радиостанции. Структурная схема передатчика радиостанции.. Радиостанция Баклан структурная схема. Структурная схема радиостанции «гранит р-24»
Принципиальные схемы радиостанций
Принципиальные схемы радиостанций. Нейва РП-205 схема. Радиоприемник Нейва РП 205 схема. Принципиальная схема радиоприемника Нейва РП-205. Схема приемника Нейва РП 305
Нейва РП-205 схема. Радиоприемник Нейва РП 205 схема. Принципиальная схема радиоприемника Нейва РП-205. Схема приемника Нейва РП 305
Принципиальные схемы радиостанций
Принципиальные схемы радиостанций